
Fruit d'une étroite collaboration avec VHM, voici notre nouvelle gamme de pistons CNC, de la plus haute qualité, pour compétiteurs exigeants:
| Référence | Type de cylindre |
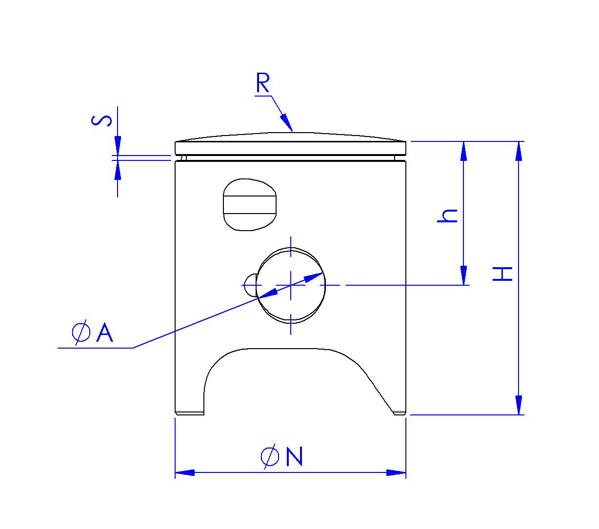
ØN (ØNominal) |
ØA (Ø Axe) |
S (Ep. Segment) |
h (Hauteur d'axe) |
H (Hauteur Totale) |
R (Rayon) |
| 113 35 248 | Tous Cylindres BIDALOT Ø40 ancienne génération | Ø39.95 | Ø12 | 0.8 | 22 | 44.5 | 130 |
| 113 35 578 | Cylindres RF50WR Racing uniquement | Ø39.95 | Ø12 | 0.8 | 25 |
47.5 |
130 |
| 113 36 578 | Ø39.96 |
NOTE : Tous les pistons sont livrés complets, avec axe, Clips et Segment.


